ছোট এসি গিয়ার মোটর সরবরাহকারীরা

  • 400W সিরিজ
  • 400W সিরিজ
  • 400W সিরিজ
  • 400W সিরিজ
ছোট এসি গিয়ার মোটর

400W সিরিজ

মোটর শক্তি: 400W (1/2HP) অনুভূমিক বা উল্লম্ব ইনস্টল

পর্যায়: একক পর্যায় / তিন ধাপ

গিয়ার অনুপাত: 3-1800 কে

মোটর নির্বাচন: 3 ফেজ মোটর 220V-240V/380V-415V, 50Hz/60Hz; 1 ফেজ মোটর, 220 ভি, 50Hz/60Hz; 1 ফেজ মোটর, 110 ভি, 50Hz / 60Hz

আউটপুট শ্যাফ্ট ব্যাস: φ22 মিমি φ28 মিমি φ32 মিমি φ40 মিমি

  • 400W সিরিজ
  • 400W সিরিজ
  • 400W সিরিজ
  • 400W সিরিজ
আবেদন এলাকা
আমরা একটি উচ্চ-প্রযুক্তিগত উদ্যোগ যা এসি গিয়ার রিডাকশন মোটর, ছোট রিডাকশন মোটর, সার্ভো-নির্দিষ্ট প্ল্যানেটারি রিডুসার, ডিসি ব্রাশলেস এবং ব্রাশলেস মোটর এবং অন্যান্য পণ্যের উৎপাদন এবং বিক্রয়ের জন্য নিবেদিত।
  • লজিস্টিক বাছাই

  • স্বয়ংক্রিয় রোবট

  • লেজার কাটিং

  • অ্যাক্সেস কন্ট্রোল গেট

  • ফটোভোলটাইক পাওয়ার স্টেশন

  • চিকিত্সা ডিভাইস

  • এজিভি

পণ্যের বর্ণনা

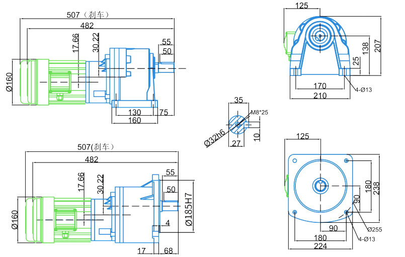
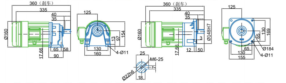
CH22/CV22-400W- (স্ট্যান্ডার্ড বক্স 1: 3 ~ 10 অনুপাত) (হ্রাস বাক্স 1: 15 ~ 90 অনুপাত) আকার ডায়াগ্রাম

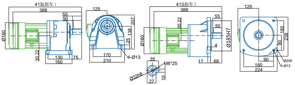
CH32/CV32-400W (1: 210 বা উচ্চতর অনুপাত) মাত্রা ডায়াগ্রাম

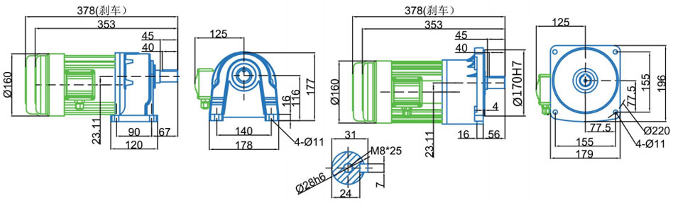
CH28/CV28-400W - (স্ট্যান্ডার্ড বক্স 1: 15 ~ 90 অনুপাত) (হ্রাস বাক্স 1: 100 ~ 200 অনুপাত) মাত্রিক অঙ্কন

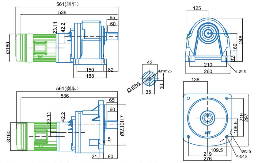
CH40/CV40-400W (1: 210 বা উচ্চতর অনুপাত) আকারের চিত্র

CH32/CV32-400W - (স্ট্যান্ডার্ড বক্স 1: 100 ~ 200 অনুপাত) মাত্রিক অঙ্কন

বৈদ্যুতিক যন্ত্রপাতি প্যারামিটার

বৈদ্যুতিক যন্ত্রপাতি প্যারামিটার

শক্তি (কেডব্লিউ)

প্রকার

ভোল্টেজ (ভি)

ফ্রিকোয়েন্সি (হার্জ)

রেটেড কারেন্ট (ক)

রেটেড রোটেশন গতি (আরএমপি)

ক্যাপাসিটার (μf)

নিরোধক শ্রেণিবিন্যাস

প্রতিরক্ষামূলক সিস্টেম

0.4kW

1/2 এইচপি

একক-পর্ব

220 ভি

50Hz

1.1 এ

1420rmp

16μf 、 100μf

IP54

থ্রি-ফেজ

220V/380V

50Hz

2.1 এ/1.2 এ

1420rmp

/

400W- (1: 3-1800 ডিজিটাল অনুপাত) টর্ক টেবিল

গেরা অনুপাত

3

5

10

15

20

25

30

40

50

60

70

80

90

100

120

140

160

180

200

300

1200

1800

আউটপুট আর.পি.এম.

50Hz

500

300

150

100

75

60

50

37

30

25

21.4

18.8

16.7

15

12.5

10.7

9.4

8.4

7.5

5

1.25

0.83

60Hz

600

360

180

120

90

72

60

45

36

30

25.7

22.5

20

18

15

12.9

11.3

10

9

6

1.5

1

আউটপুট টর্ক কেজি/মি

50Hz

0.7

1.2

2.4

3.6

4.8

6

7.2

9.3

11.6

13.9

16.2

18.4

20.7

23

27.7

32

36

40.8

43.2

70.2

70.2

70.2

60Hz

0.6

1

2

3

4

5

6

7.8

9.7

11.6

13.5

15.4

17.3

19.2

23.1

26.7

30.3

34

36

56.7

56.7

56.7

টেবিলের গতি 50Hz/60Hz, 1420r.min/1732r.min এ মোটরের রেটেড গতির উপর ভিত্তি করে গণনা করা হয়

প্রকৃত গতি প্রায় ± 5%এর পরিবর্তনের পরিসীমা সহ লোডের আকারের সাথে কিছুটা পরিবর্তিত হবে

+ বিস্তারিত পণ্যের পরামিতিগুলি বুঝুন
আমাদের সাথে যোগাযোগ করুন
  • Upload

আমাদের সম্পর্কে
ঝেজিয়াং সাইয়া ইন্টেলিজেন্ট ম্যানুফ্যাকচারিং কোং, লিমিটেড
Zhejiang Saiya Intelligent Manufacturing Co., Ltd. ২০০৯ সালে প্রতিষ্ঠিত, ১৫ বছরের শিল্প সঞ্চয়ের মাধ্যমে, যা একটি উচ্চ-প্রযুক্তি সংস্থা যা মাইক্রো এসি গিয়ার মোটর, ছোট এসি গিয়ার মোটর, ব্রাশ ডিসি গিয়ার মোটর, বিএলডিসি ব্রাশলেস ডিসি গিয়ার মোটর, প্রিসিশন প্ল্যানেটারি গিয়ারবক্স এবং মোটর রোলার... ইত্যাদি উৎপাদন এবং বিক্রয়ে বিশেষজ্ঞ। আমরা চীন পাইকারি 400W সিরিজ সরবরাহকারীরা এবং ই এম / ওডিএম 400W সিরিজ নির্মাতারা, সাইয়া মোটর এবং গিয়ারবক্সগুলি শিল্প রোবট, বুদ্ধিমান সরবরাহ, নতুন শক্তি মেশিন, AGV রোবট এবং অন্যান্য উন্নত ক্ষেত্রে ব্যাপকভাবে ব্যবহৃত হয়। উপরন্তু, তারা খাদ্য প্রক্রিয়াকরণ, প্যাকেজিং, টেক্সটাইল, ইলেকট্রনিক্স, চিকিৎসা সরঞ্জাম এবং বিশেষায়িত যন্ত্রপাতিতে গুরুত্বপূর্ণ ভূমিকা পালন করে, বিভিন্ন শিল্পের জন্য সাশ্রয়ী এবং স্বতন্ত্র সমাধান প্রদান করে। পার্থক্য এবং ব্যয়-কার্যকারিতায় আমাদের সুবিধাগুলি বাড়ানোর জন্য, আমাদের নিজস্ব ট্রেডিং কোম্পানি, হ্যাংজু সাইয়া ট্রান্সমিশন ইকুইপমেন্ট কোং, লিমিটেড রয়েছে যা ঝেজিয়াংয়ের হ্যাংজুতে অবস্থিত, যা সাংহাই এবং নিংবো বন্দরের কাছে অবস্থিত, দেশীয় এবং বিদেশী ব্যবসা পরিচালনা করার জন্য, সরাসরি বিক্রয় এবং বিতরণ উভয়ের সাথে মিলিত হয়ে, বিশ্বব্যাপী বিতরণ এবং গ্রাহক সহায়তা নিশ্চিত করে, আমাদের সমস্ত গ্রাহকদের উচ্চমানের অর্থনৈতিক এবং নির্ভরযোগ্য সমাধান প্রদান করে।

কর্পোরেট সংস্কৃতি

খাঁটি নির্ভরযোগ্য
গুণমান স্বাভাবিকভাবেই আলাদা হয়ে ওঠে.

মূল মূল্যবোধ: নিজেকে বিকশিত করা এবং অন্যদের যত্ন নেওয়া.

দৃষ্টি:বুদ্ধিমান ট্রান্সমিশনের ক্ষেত্রে একজন পরিষেবা বিশেষজ্ঞ হয়ে উঠুন.

আমাদের লক্ষ্য:উচ্চমানের পরিষেবা প্রদান এবং গ্রাহকদের জন্য মূল্য তৈরি করা.

সেবা দর্শন:সকল কর্মচারীর জন্য বস্তুগত ও আধ্যাত্মিক সুখ অর্জন এবং মানব সমাজের অগ্রগতি ও উন্নয়নে অবদান রাখা.

  • 2009

    প্রতিষ্ঠা
  • 80+

    কর্মী
  • 5+

    উৎপাদন লাইন
খবর